THX navigation to aftermarket

On pin 7 (subwoofer+) and pin 14 (subwoofer-) how and what do I connect these to in order to get the sub working...


Hello joegr,
I have looked everywhere on the internet to do something you did 6 years ago. Connect aftermarket radio to a Lincoln thx system. Your post is great and I want to use the info but is there any way you can upload or email the wiring diagram pics with your notations so that I can read them. This is a headache and I'm trying to keep the factory sub and amp and wire steering wheel controls and DVD retention on a 06 navigator. Please lend your assistance so I can finish this project. Thank you
 
On pin 7 (subwoofer+) and pin 14 (subwoofer-) how and what do I connect these to in order to get the sub working...

Be warned that the LS pinout may not match the Navigator pinout.
7 to the center pin of the RCA for your amp's line level input. Pin 14 to the outer (shield) ring of the RCA.

Hello joegr,
I have looked everywhere on the internet to do something you did 6 years ago. Connect aftermarket radio to a Lincoln thx system. Your post is great and I want to use the info but is there any way you can upload or email the wiring diagram pics with your notations so that I can read them. This is a headache and I'm trying to keep the factory sub and amp and wire steering wheel controls and DVD retention on a 06 navigator. Please lend your assistance so I can finish this project. Thank you

PM me your email address.
 
I've been having some problems with the tuner in my THX nav headunit. After being unable to repair it, I decided to go after market (JVC KW-NT700).
View attachment 828464687

Fortunately, I was able to retain the factory amps and speakers. I used the following diagrams to figure it out.
View attachment 828464688View attachment 828464689View attachment 828464690View attachment 828464691

Unfortunately, there are no wiring harness adapter kits out there for this. I cut the factory headunit connectors and spliced and solder to the JVC's harness.

View attachment 828464692
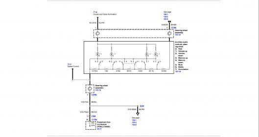
This is the "main" connector to the THX nav. You can get a mating connector to this from some adapter kits, but there are only six wires to connect here. Since I could get mates for the other two connectors, I just cut this one off too. Here you get the power connection, the switched connection (in this case, it is the RAP, retained accessory power), the ground, the dash light dimmer feed, and the two wires for the steering wheel controls.

View attachment 828464693
This 18 pin connector is the audio from the THX nav. Even though the pinout says "speaker" these are actually line level inputs. They are differential inputs, but just like the sub input, they work just fine in single ended mode. I connected each of the two amplifier enables to the JVC's amplifier enable output, with a 2.2 K ohm resistor in series with each. No pops.

Now, we move back to the trunk for a moment. This is the connector to the DVD nav computer in the trunk. Note that it is all the same type connector as the "main" connector to the radios. Here, I did use a mating connector from a harness adapter kit I happened to have.
View attachment 828464694
The first thing I did was to connect the two microphone lines to the "audio" lines. This way I was able to get the connections for the microphone in the factory mirror up to the JVC unit (via the re-used "audio" lines). While this did work, unfortunately the factory mic was too quiet and I could hardly be heard using it. I had to switch to the mic included with the JVC. I mounted it on the mirror.
Next, I connected the VSS signal (pin 14) to pin 8, because the "Video Red" signal runs all the way back up front to where the JVC is.
I also connected a reverse gear signal and the video from a reverse camera as indicated. Again, this is all just to get those signals up front. You can run new wiring from the trunk to the front instead if you want, but this saved all that work for me.

Now back to the front again. This is the video connector to the THX nav.
View attachment 828464695
This connector had all the video and control signals between the THX nav headunit and the THX nav DVD/computer unit. Since most of these were only connected between the two units and most of the wires are shielded, I used this wiring to get the rest of the signals needed to the JVC.

Oddly, the JVC only accepted a positive trigger reverse gear signal. I could have tapped this signal at the REM where it sends a positive trigger to the auto-dim mirror, but I didn't. I added a small relay to turn power to the camera on only when in reverse (because the camera got kind of warm if left on all the time). I just pulled the positive trigger signal from this relay, since it was there.


I haven't played with it too much, but so far I like it. It sounds really good to me, and it has many settings for sound, including a lot of DSP stuff.

View attachment 828464687

View attachment 828464688

View attachment 828464689

View attachment 828464690

View attachment 828464691

View attachment 828464692

View attachment 828464693

View attachment 828464694

View attachment 828464695

Instead of a complicated diagram could someone just tell me what colored wires go to which thing that needed for it to just play music and run the screen? I have a 2003 Lincoln ls with thx nav radio and I want to put in an XVM296BT touchscreen radio in and I already made the mistake of cutting out the old harness thinking I could easily find the wirings colors like I did with my Pontiac and just pair those to the wires that are actually clearly labeled on the radio for the aftermarket harness. Why did they not put that on the thx radio. Simple colors and what they do on a list that fits on the radio.
 
Doesn't work that way. None of those wires are wires to any of the speakers. I don't think I can make the process to do this any simpler than I already have. Sorry.
 
and I'm not good enough to be able to enter addresses while moving.
IDK if your JVC unit's operating system is based on Android but if it is it might allow you to enter an address by voice input. My Joying Android HU allows me to do that using Google Maps, Waze or most anything I want to use.
 
IDK if your JVC unit's operating system is based on Android but if it is it might allow you to enter an address by voice input. My Joying Android HU allows me to do that using Google Maps, Waze or most anything I want to use.

It didn't, but what I have now works quite well via voice. I have Apple Car Play now too, but I haven't used it so far.
 
Doesn't work that way. None of those wires are wires to any of the speakers. I don't think I can make the process to do this any simpler than I already have. Sorry.

So none of the wires that connect to the back of the radio to a harness that has color coded wires that pairs with an adapter for the cars factory harness.... None if those need connected cause the wires Labeled on the new radio just hook straight up to the speakers and not the cars harness from your answer to my question.

Radio has to tell which speakers to play and those wires from the radio that connect to the cars radio wires are clearly marked left speaker, right speaker and so on with the color of wire.
 
Hello, Could somebody here who has these diagrams in a higher resolution be so kind as to please send them to me?
I can't read what is posted here because of the low resolution.
I own a 2004 Navigator with THX and am about to attempt to replace my original factory unit with a Joying Android Head unit and would like to retain my factory amp, speakers, and steering wheel controls if possible.
These diagrams would help tremendously. I will make a video for youtube of my install and share a link here if this works out.
Thank You!
 
Hello, Could somebody here who has these diagrams in a higher resolution be so kind as to please send them to me?
I can't read what is posted here because of the low resolution.
I own a 2004 Navigator with THX and am about to attempt to replace my original factory unit with a Joying Android Head unit and would like to retain my factory amp, speakers, and steering wheel controls if possible.
These diagrams would help tremendously. I will make a video for youtube of my install and share a link here if this works out.
Thank You!
PM me your email address.
 
FYI. I found this harness for those of you not looking to hack the wiring in the car. It's designed for a bluetooth add on module, but it should allow for a plug and play stereo install:
Ford Harness

As I added bluetooth a few years ago, I might actually have this in my car already (I don't remember if it's the full harness). Fingers crossed, I'll find it there when I check later this evening.

Tony
Thats a scam link or some, what harness did you use exacly?? Maybe a pic of it or some
 

Members online

No members online now.
Back
Top